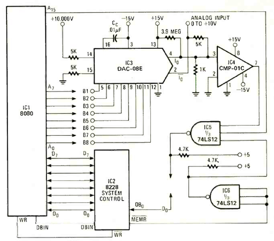
En la figura vemos cómo utilizar un 8080 en un conversor de digital a analógico. El circuito es de una Radio Electrónica de febrero de 1978. Los demás componentes son de la época, excepto el TTL.
Este circuito genera una señal en el faja superior de las ondas cortas y puede llegar a la banda...
Este circuito ultra-simple puede ser montado en una cajita del tamaño de paquete de cigarrillos o poco...
Describimos el montaje de un sensible galvanómetro, que puede acusar la circulación de cadenas muy...