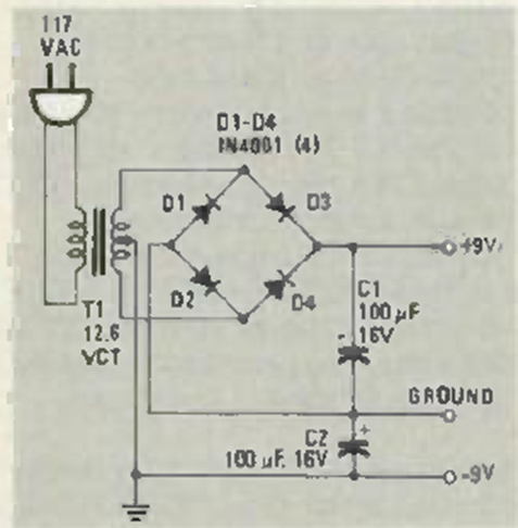
En la figura tenemos una forma sencilla de obtener una tensión negativa a partir de una configuración de fuente común. El circuito es de una Radio Electronics de mayo de 1986.

En la figura tenemos una forma sencilla de obtener una tensión negativa a partir de una configuración de fuente común. El circuito es de una Radio Electronics de mayo de 1986.
