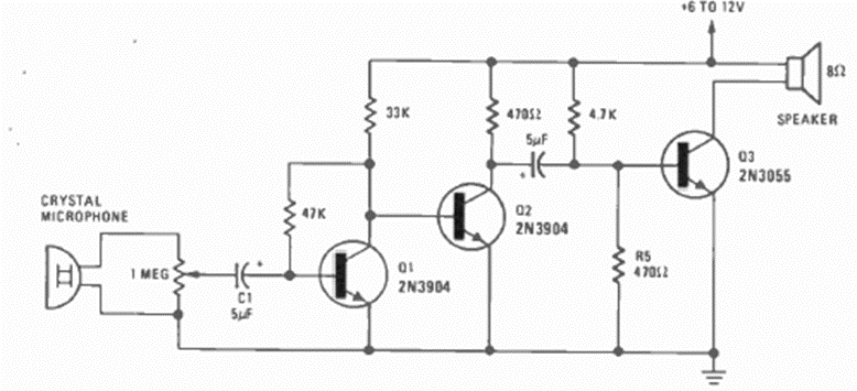
Este sencillo amplificador utiliza un micrófono conectado al teléfono. El circuito de 3 transistores se encontró en la revista Radio Electronics de mayo de 1977. La energía se puede suministrar mediante una fuente de alimentación o una batería.
Los circuitos de alta frecuencia, como los que operan con señales de FM, son críticos no debiendo...
Las lámparas neón son elementos activos de circuitos que se caracterizan por presentar una región de...
Muchos proyectos que utilizan circuitos integrados de amplificadores operacionales, como el 741,...