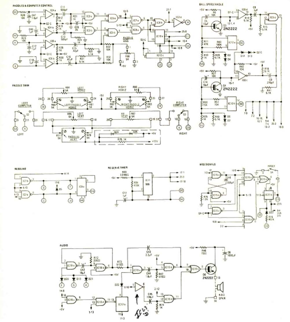
Este es uno de los primeros juegos que aparecieron en los años 70. Éste es de una revista de Radio Electronics de junio de 1976 utilizando componentes de la época. El juego es tele-tenis que pronto se lanzó aquí en una versión más simple y con mejor rendimiento.




