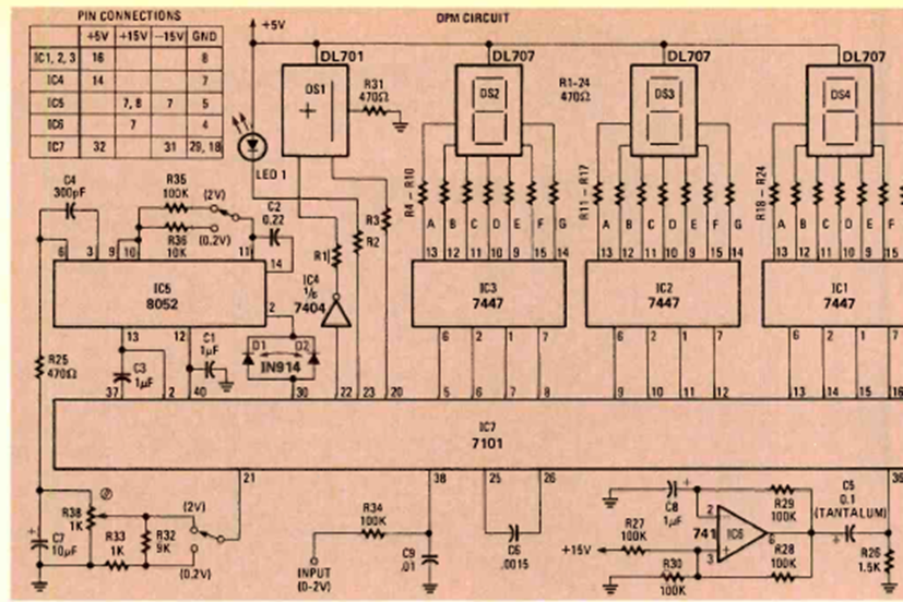
Este circuito es de un artículo de la revista Radio Electronics de marzo de 1978 que enseñaba cómo montarlo. El circuito está basado y alimentado por TTL. Los componentes utilizados todavía se pueden encontrar.
Los circuitos de alta frecuencia, como los que operan con señales de FM, son críticos no debiendo...
Las lámparas neón son elementos activos de circuitos que se caracterizan por presentar una región de...
Muchos proyectos que utilizan circuitos integrados de amplificadores operacionales, como el 741,...