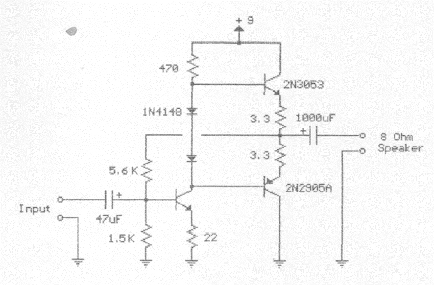
Este amplificador de transistores de baja potencia se encontró en documentación de los años 90. El circuito utiliza transistores de propósito general de la época y puede ser reemplazado por BC558 (PNP o BC548 (NPN). La corriente consumida es de 30 mA.




