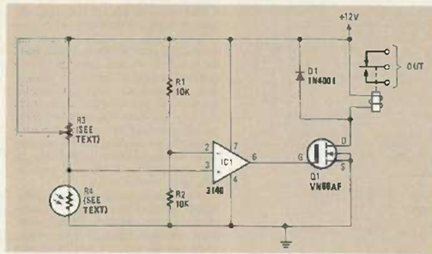
A diferencia del circuito anterior, este se activa cuando la temperatura desciende por debajo del valor establecido. El circuito es de la revista Radio Electronics de junio de 1986.
Este circuito, que se encuentra en una documentación de 1997, tiene por objeto reconocer tonos de...
Encontrado en una Electronics Now desde los años 90, este mezclador tiene varias entradas. El circuito...
Usando CMOS 4046 encontramos este VCO en la revista Radio Electronics de noviembre de 1984. La...