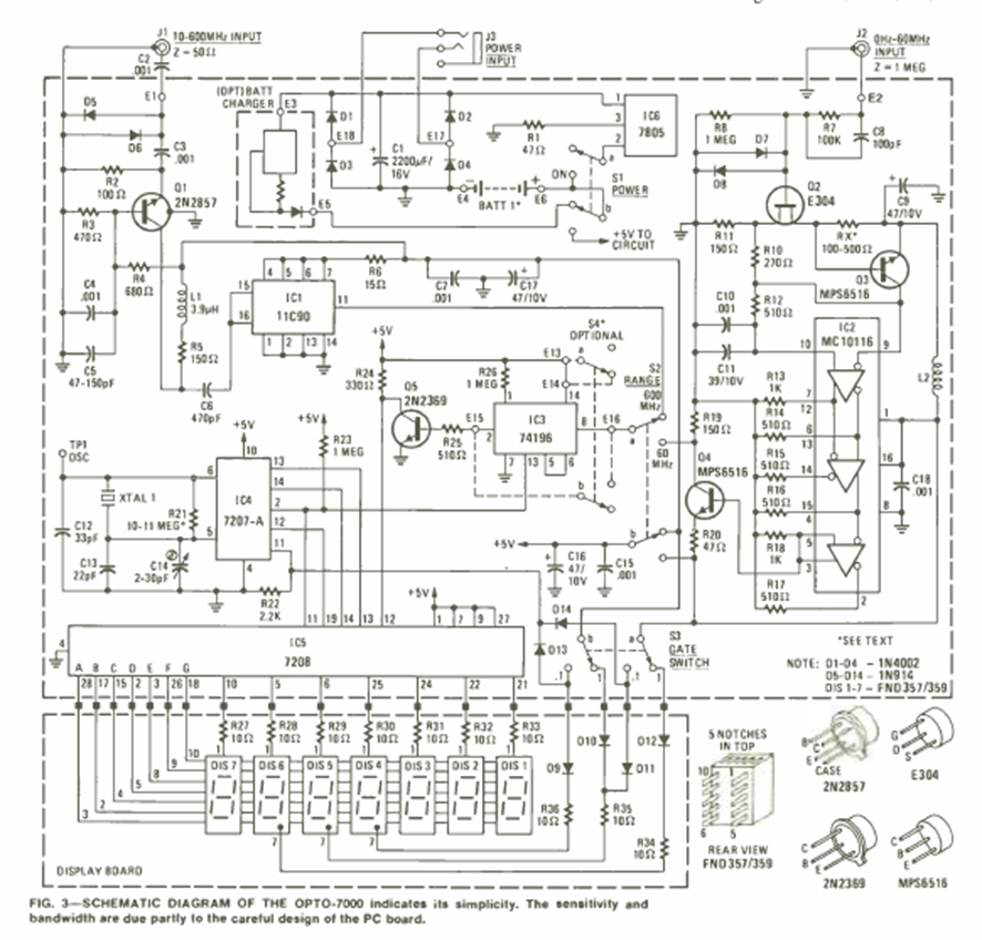
Encontramos este circuito en la revista Radio Electronics de enero de 1979. Los componentes siguen siendo comunes hoy en día, destacando el excitador 7106 en los displays.
Los circuitos de alta frecuencia, como los que operan con señales de FM, son críticos no debiendo...
Las lámparas neón son elementos activos de circuitos que se caracterizan por presentar una región de...
Muchos proyectos que utilizan circuitos integrados de amplificadores operacionales, como el 741,...