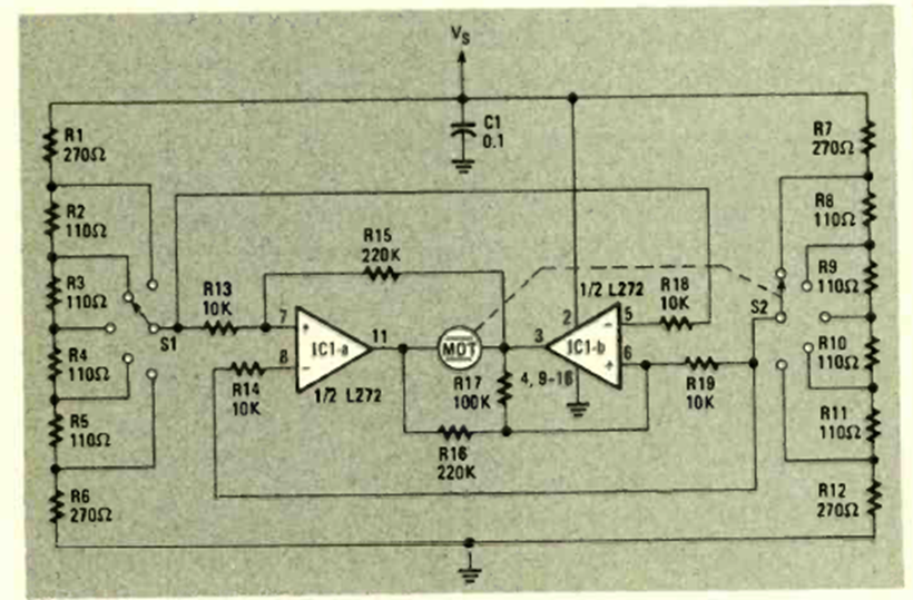
Este control de motor de CC utiliza un amplificador operacional de potencia. Lo encontramos en la revista Radio Electronics de diciembre de 1984. El amplificador debe montarse sobre un radiador de calor y la corriente máxima es 1 A.
Este circuito hace un LED bicolor o dos LEDs de colores diferentes parpadean alternativamente, a una velocidad...
Este oscilador que excita 3 LEDs de forma secuencial también se llama oscilador en círculo. La...
Si usted todavía no tiene un multímetro u otro instrumento de prueba en su bancada y desea saber si...