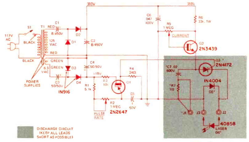
Este es uno de los primeros proyectos de láser de estado sólido. Lo encontramos en la revista Radio Electronics de junio de 1972. El circuito incluye la fuente de alimentación y el artículo describe varios experimentos.
Este circuito hace un LED bicolor o dos LEDs de colores diferentes parpadean alternativamente, a una velocidad...
Este oscilador que excita 3 LEDs de forma secuencial también se llama oscilador en círculo. La...
Si usted todavía no tiene un multímetro u otro instrumento de prueba en su bancada y desea saber si...