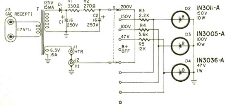
Este circuito se obtuvo de la revista Radio Electronics en julio de 1970. Los Zerners son tipos de potencia que pueden suministrar una buena corriente al circuito. La selección se realiza mediante interruptor rotativo.
Es un montaje ultra simple que usted puede hacer con componentes de chatarra. Se trata de un...
Sólo se utilizan tres componentes para hacer que un LED parpadee con una velocidad determinada por el valor...
Una forma de obtener una señal de frecuencia exacta es con el uso de un oscilador controlado por cristal...