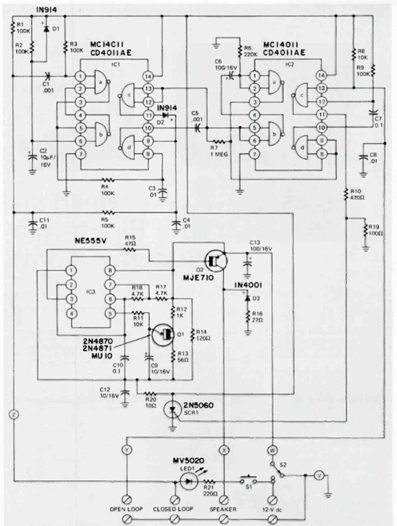
Este circuito, que apareció en la revista Radio Electronics de abril de 1974, se basa en la tecnología CMOS que se estaba volviendo más popular en ese momento. El circuito de alarma tiene varias entradas de sensores e incluye un sistema de alerta sonora.




