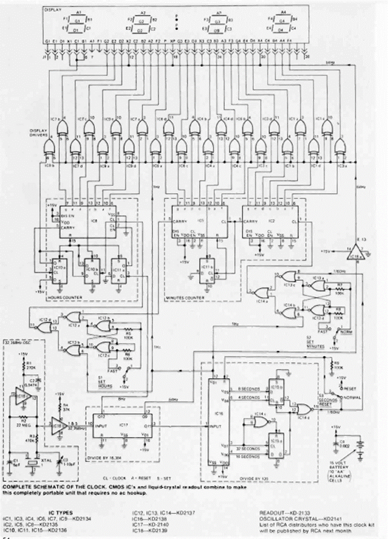
Este circuito basado en lógica CMOS se encontró en la revista Radio Electronics de abril de 1974. El circuito se basa en un display indicador de la época y tiene indicaciones de horas y minutos.
Este circuito hace un LED bicolor o dos LEDs de colores diferentes parpadean alternativamente, a una velocidad...
Este oscilador que excita 3 LEDs de forma secuencial también se llama oscilador en círculo. La...
Si usted todavía no tiene un multímetro u otro instrumento de prueba en su bancada y desea saber si...