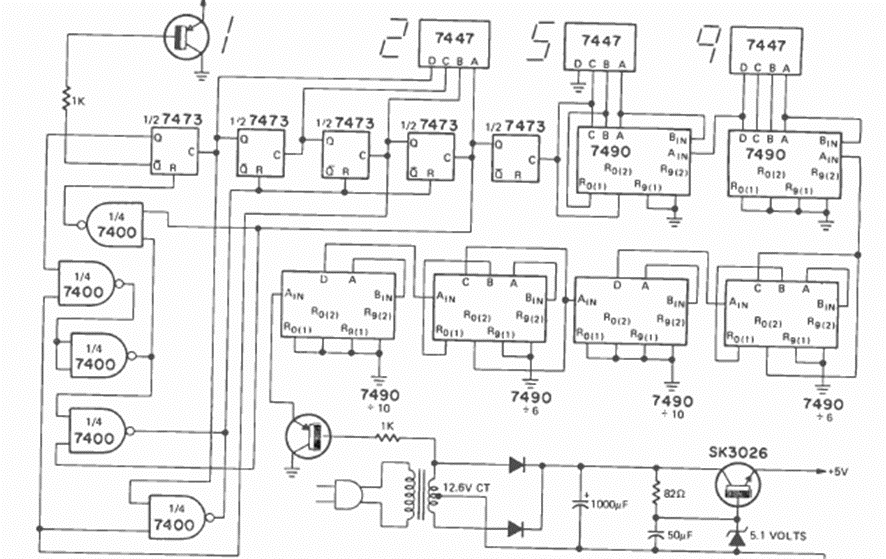
Este es un contador TTL típico de 3 dígitos y medio. Lo encontramos en la revista Radio Electronics de septiembre de 1973. El circuito debe alimentarse con 5 V. Se puede ampliar a más dígitos.
Este circuito hace un LED bicolor o dos LEDs de colores diferentes parpadean alternativamente, a una velocidad...
Este oscilador que excita 3 LEDs de forma secuencial también se llama oscilador en círculo. La...
Si usted todavía no tiene un multímetro u otro instrumento de prueba en su bancada y desea saber si...