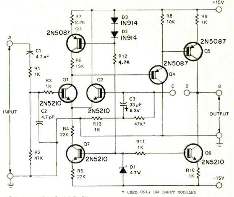
Este amplificador de buena potencia, unas decenas de watts, forma parte de un artículo de la revista Radio Electronics de diciembre de 1972. La alimentación debe ser simétrica con al menos 3 A.
El circuito de la figura consiste en un temporizador para motor que puede producir accionamientos de hasta...
En la figura tenemos un método mejorado para variar la tensión de un regulador 7812. El circuito es de...
Este amplificador sumador con el operacional LM324 es del manual de circuitos integrados de la SGS...