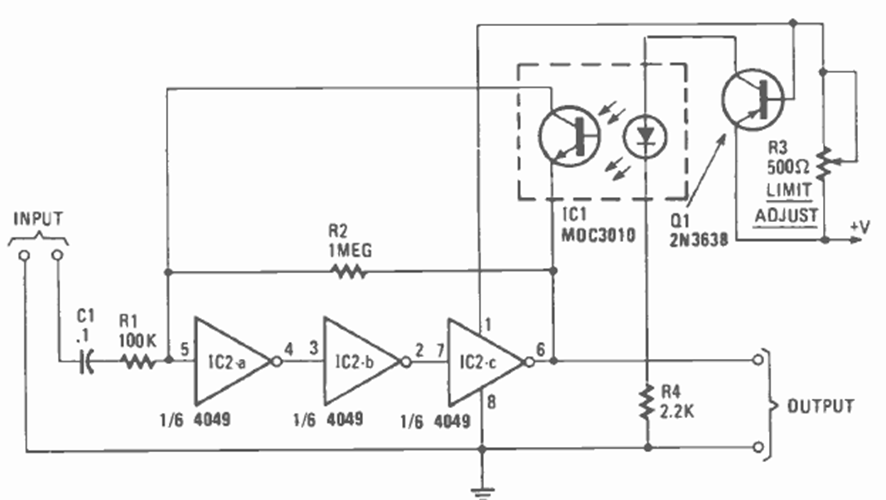
Este circuito es una continuación del anterior, sirviendo como protector contra sobrecargas en amplificadores. El circuito apareció en un artículo de la revista Radio Electronics en enero de 1985.
Este circuito hace un LED bicolor o dos LEDs de colores diferentes parpadean alternativamente, a una velocidad...
Este oscilador que excita 3 LEDs de forma secuencial también se llama oscilador en círculo. La...
Si usted todavía no tiene un multímetro u otro instrumento de prueba en su bancada y desea saber si...