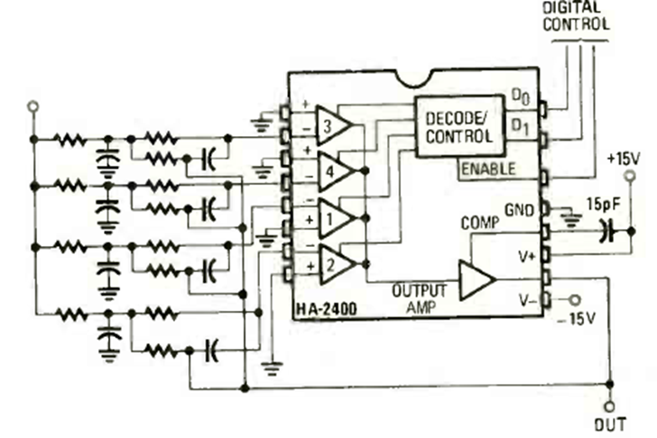
A través de control digital, este circuito activa los filtros de entrada que tienen las frecuencias seleccionadas por sus componentes. El circuito es de una Radio Electronics de marzo de 1980. El circuito integrado es el HA2400.
Este circuito hace un LED bicolor o dos LEDs de colores diferentes parpadean alternativamente, a una velocidad...
Este oscilador que excita 3 LEDs de forma secuencial también se llama oscilador en círculo. La...
Si usted todavía no tiene un multímetro u otro instrumento de prueba en su bancada y desea saber si...