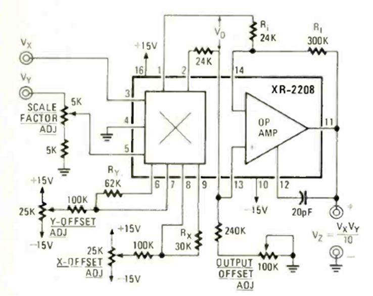
Este circuito de aplicación XR2208 se encontró en la revista Radio Electronics de abril de 1978. El circuito debe alimentarse con una tensión de 15 V y existe un ajuste de compensación.
Es un montaje ultra simple que usted puede hacer con componentes de chatarra. Se trata de un...
Sólo se utilizan tres componentes para hacer que un LED parpadee con una velocidad determinada por el valor...
Una forma de obtener una señal de frecuencia exacta es con el uso de un oscilador controlado por cristal...