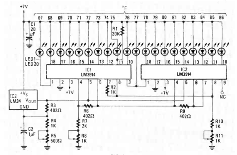
Este circuito de gráfico de barras fue encontrado en la revista Radio Electronics de enero de 1986. Está basado en el conocido LM3914 y tiene dos de ellos en cascada accionando un buen número de LED.
Este circuito hace un LED bicolor o dos LEDs de colores diferentes parpadean alternativamente, a una velocidad...
Este oscilador que excita 3 LEDs de forma secuencial también se llama oscilador en círculo. La...
Si usted todavía no tiene un multímetro u otro instrumento de prueba en su bancada y desea saber si...