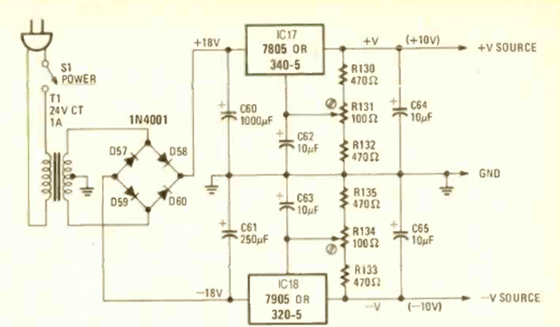
Este circuito fue encontrado en la revista Radio Electronics de marzo de 1979. Los circuitos integrados deben estar equipados con disipadores de calor. La corriente máxima es 1 A.
Este circuito hace un LED bicolor o dos LEDs de colores diferentes parpadean alternativamente, a una velocidad...
Este oscilador que excita 3 LEDs de forma secuencial también se llama oscilador en círculo. La...
Si usted todavía no tiene un multímetro u otro instrumento de prueba en su bancada y desea saber si...