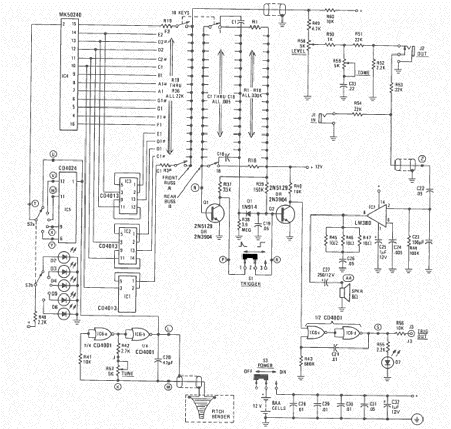
El montaje de este circuito fue descrito en la revista Radio Electronics de enero de 1977. El proyecto utiliza un circuito especial de la época compuesto por un generador de octavas que simplifica este tipo de proyectos y se utilizaba en equipos comerciales.




