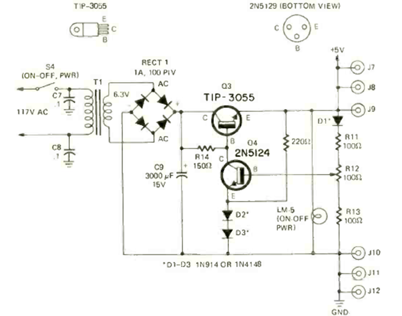
Encontramos este circuito fuente TTL en la revista Radio Electronics de diciembre de 1972. El circuito utiliza un transformador de 1 A y el transistor 2N3055 debe estar equipado con un buen disipador de calor.
Este circuito hace un LED bicolor o dos LEDs de colores diferentes parpadean alternativamente, a una velocidad...
Este oscilador que excita 3 LEDs de forma secuencial también se llama oscilador en círculo. La...
Si usted todavía no tiene un multímetro u otro instrumento de prueba en su bancada y desea saber si...