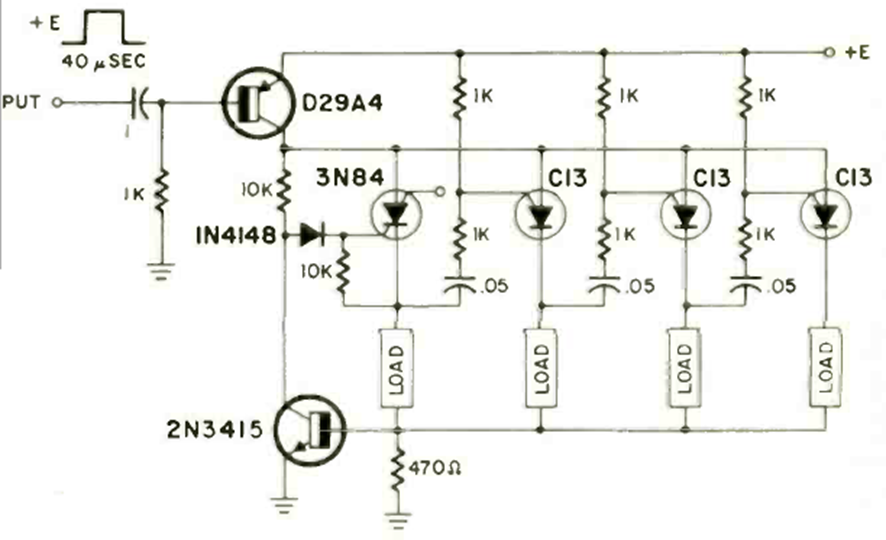
Este circuito cuenta digitalmente los pulsos de entrada. El circuito de radioelectrónica de noviembre de 1970 utiliza transistores unijuntura programables. Tenga en cuenta la duración de los pulsos contados.
Este circuito hace un LED bicolor o dos LEDs de colores diferentes parpadean alternativamente, a una velocidad...
Este oscilador que excita 3 LEDs de forma secuencial también se llama oscilador en círculo. La...
Si usted todavía no tiene un multímetro u otro instrumento de prueba en su bancada y desea saber si...