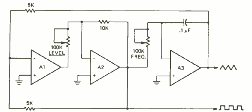
Hallado en la revista Radio Electronics de junio de 1972, este circuito genera señales que dependen del ajuste y pueden alcanzar los 20 kHz. Los amplificadores operacionales son tipos de propósito general como el 741.
Este circuito hace un LED bicolor o dos LEDs de colores diferentes parpadean alternativamente, a una velocidad...
Este oscilador que excita 3 LEDs de forma secuencial también se llama oscilador en círculo. La...
Si usted todavía no tiene un multímetro u otro instrumento de prueba en su bancada y desea saber si...