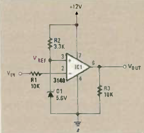
Este circuito comparador de tensión básico tiene la tensión de referencia dado por el diodo Zener. La entrada utilizada es negativa. El circuito es de una Radio Electronics de junio de 1986.

Este circuito comparador de tensión básico tiene la tensión de referencia dado por el diodo Zener. La entrada utilizada es negativa. El circuito es de una Radio Electronics de junio de 1986.
