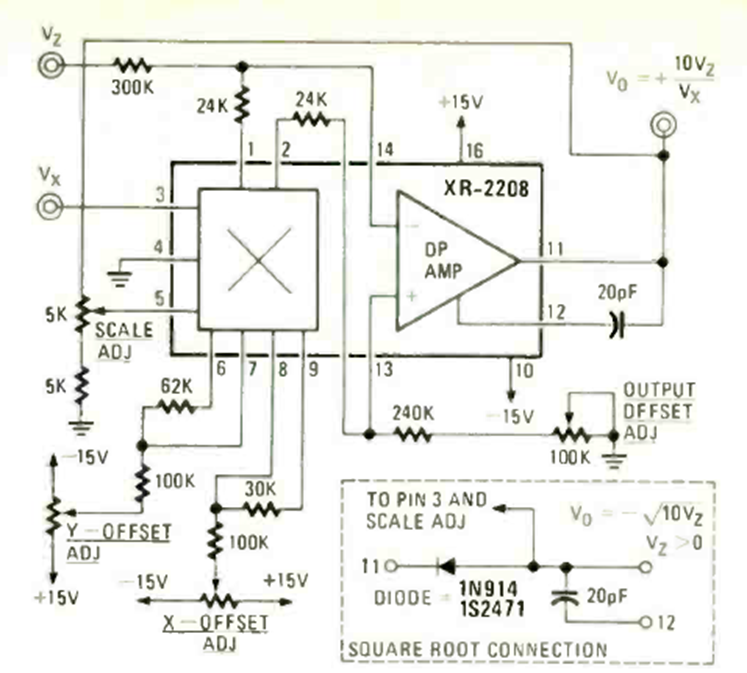
Este circuito divide el valor de una tensión por el valor de otro. El circuito utilizado en computación analógica se encontró en la revista Radio Electronics de abril de 1978. La fuente de alimentación debe ser simétrica.
Este circuito hace un LED bicolor o dos LEDs de colores diferentes parpadean alternativamente, a una velocidad...
Este oscilador que excita 3 LEDs de forma secuencial también se llama oscilador en círculo. La...
Si usted todavía no tiene un multímetro u otro instrumento de prueba en su bancada y desea saber si...