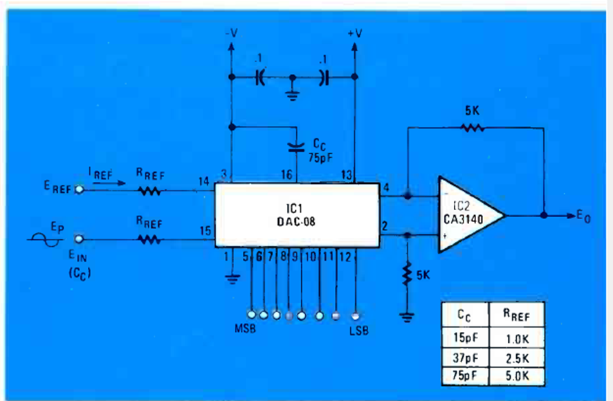
Al utilizar un circuito integrado DAC08, este circuito requiere una fuente de alimentación simétrica. Lo encontramos en la revista Radio Electronics de mayo de 1983. Tenga en cuenta que los valores de los componentes se dan en la tabla.
Este circuito hace un LED bicolor o dos LEDs de colores diferentes parpadean alternativamente, a una velocidad...
Este oscilador que excita 3 LEDs de forma secuencial también se llama oscilador en círculo. La...
Si usted todavía no tiene un multímetro u otro instrumento de prueba en su bancada y desea saber si...