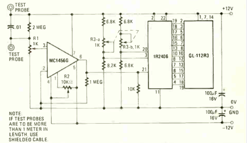
Encontramos este circuito en la revista Radio Electronics de octubre de 1979. Utiliza un indicador de gráfico de barras 7016, pero se pueden emplear otros equivalentes. R2 realiza el ajuste de compensación o nulo del amplificador operacional.
Este circuito hace un LED bicolor o dos LEDs de colores diferentes parpadean alternativamente, a una velocidad...
Este oscilador que excita 3 LEDs de forma secuencial también se llama oscilador en círculo. La...
Si usted todavía no tiene un multímetro u otro instrumento de prueba en su bancada y desea saber si...