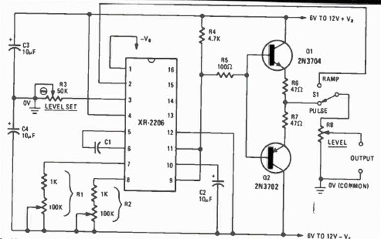
Este interesante circuito de banco fue encontrado en la revista Radio Electronics de mayo de 1977. El circuito tiene ajuste de frecuencia y la forma de onda se selecciona mediante un interruptor.
Este circuito hace un LED bicolor o dos LEDs de colores diferentes parpadean alternativamente, a una velocidad...
Este oscilador que excita 3 LEDs de forma secuencial también se llama oscilador en círculo. La...
Si usted todavía no tiene un multímetro u otro instrumento de prueba en su bancada y desea saber si...