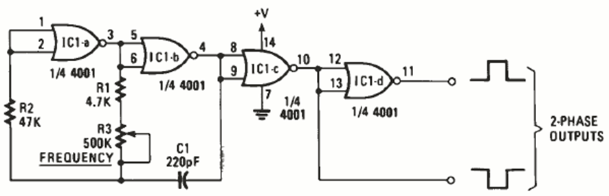
Esta es una configuración de oscilador común que genera señales rectangulares en oposición de fase. Este circuito es de una Radio Electronics de octubre de 1986.
Este circuito hace un LED bicolor o dos LEDs de colores diferentes parpadean alternativamente, a una velocidad...
Este oscilador que excita 3 LEDs de forma secuencial también se llama oscilador en círculo. La...
Si usted todavía no tiene un multímetro u otro instrumento de prueba en su bancada y desea saber si...