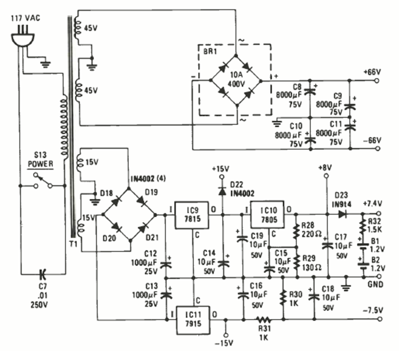
Esta es la fuente de alimentación del amplificador del circuito anterior. Los reguladores de tensión deben estar equipados con un disipador de calor y el transformador debe ser de alta corriente.
Objetivo: Producir un tono audible de advertencia cuando un nivel lógico alto TTL se aplica en su...
A falta de un circuito para amplificar las señales de un termopar en un control de temperatura u otra...
El circuito anterior puede ser controlado por la luz si utilizamos el LDR como sensor. Se trata de...