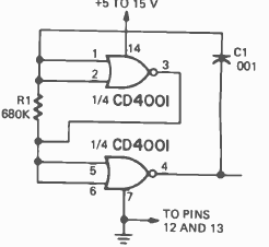
Este circuito con mayor potencia de salida se encontró en la revista Radio Electronics de noviembre de 1974. La frecuencia proporcionada por C1 y R1 es de 1 kHz, pero se puede cambiar cambiando estos componentes.

Este circuito con mayor potencia de salida se encontró en la revista Radio Electronics de noviembre de 1974. La frecuencia proporcionada por C1 y R1 es de 1 kHz, pero se puede cambiar cambiando estos componentes.
