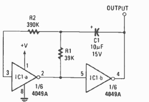
Esta es una de las muchas versiones de este oscilador que tenemos en nuestra web. Lo encontramos en un artículo de la revista Radio Electronics de enero de 1987. La frecuencia depende de C1.

Esta es una de las muchas versiones de este oscilador que tenemos en nuestra web. Lo encontramos en un artículo de la revista Radio Electronics de enero de 1987. La frecuencia depende de C1.
