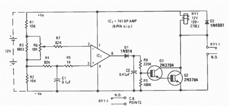
Recomendado para aplicaciones de alarma, este circuito se encontró en la revista Radio Electronics de diciembre de 1976. El circuito es para aplicaciones en automóviles de 12 V.
Si el lector dispone de un microamperímetro o miliamperímetro sensible, puede utilizarlo en el...
Este circuito utiliza, además del transistor unijuntura, otro dispositivo semiconductor que...
Este circuito utiliza como estándar de frecuencia un filtro cerámico del tipo encontrado en radios de FM,...