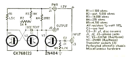
Utilizando transistores de la época, este circuito fue publicado en la revista Radio Electronics en noviembre de 1961 y servía para dividir la frecuencia de un oscilador de cristal de 40 kHz.

Utilizando transistores de la época, este circuito fue publicado en la revista Radio Electronics en noviembre de 1961 y servía para dividir la frecuencia de un oscilador de cristal de 40 kHz.
