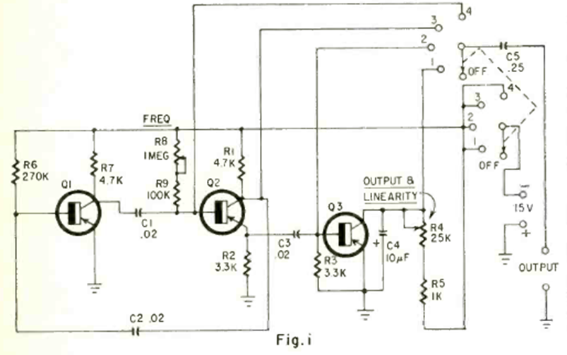
Encontramos este circuito en la revista Radio Electronics de enero de 1970. Los transistores son de propósito general y la frecuencia generada oscila entre 100 Hz y 1 kHz. Los componentes se pueden cambiar a otros rangos de frecuencia.
El Niervo-teste es un juego electrónico tradicional. El jugador debe pasar una argolla de metal...
El circuito presentado acciona un relé después de un tiempo ajustado en P1. Con los valores de los...
Con este circuito es posible probar transistores unijuntura (TUJ o UJT) como, por ejemplo, los más...