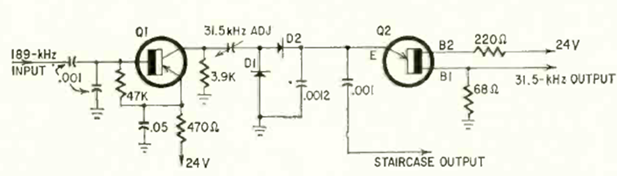
Encontramos este circuito generador de señales en forma de escalera en la revista Radio Electronics de agosto de 1966. El circuito utiliza un transistor unijuntura como base.
El Niervo-teste es un juego electrónico tradicional. El jugador debe pasar una argolla de metal...
El circuito presentado acciona un relé después de un tiempo ajustado en P1. Con los valores de los...
Con este circuito es posible probar transistores unijuntura (TUJ o UJT) como, por ejemplo, los más...