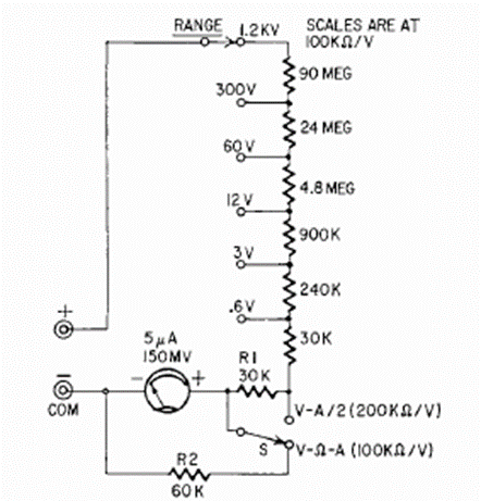
Este es el circuito de un voltímetro sensible que utiliza un instrumento de escala completa de 5 uA difícil de conseguir. El circuito es de una Radio Electronics de noviembre de 1963.

Este es el circuito de un voltímetro sensible que utiliza un instrumento de escala completa de 5 uA difícil de conseguir. El circuito es de una Radio Electronics de noviembre de 1963.
