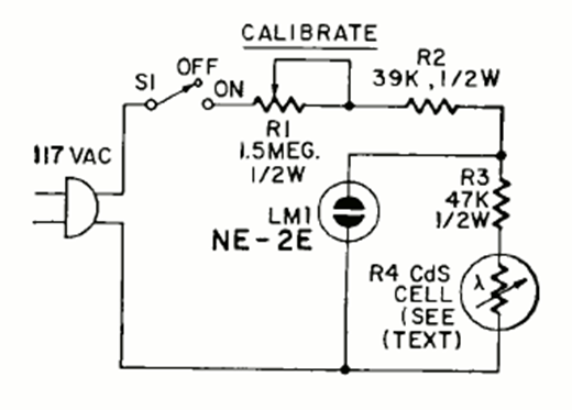
Este circuito temporizador cuyo tiempo de parpadeo está determinado por la luz ambiental se encontró en la revista Radio Electronics de febrero de 1970. El circuito se alimenta de la red eléctrica.

Este circuito temporizador cuyo tiempo de parpadeo está determinado por la luz ambiental se encontró en la revista Radio Electronics de febrero de 1970. El circuito se alimenta de la red eléctrica.
