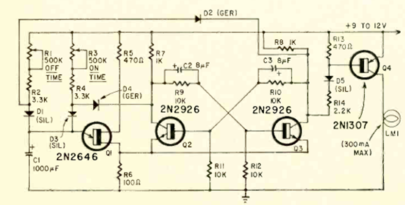
Este intermitente para lámparas incandescentes se encontró en la revista Radio Electronics de julio de 1968. La frecuencia y duración de los impulsos se ajustan en R1 y R3 dependiendo también de C1.
Este es un montaje para quien está aprendiendo electrónica o necesita un circuito simple que haga...
Este circuito puede ser interesante para generar señales de advertencia en paneles de máquinas u...
El circuito mostrado en la figura 1 modula un haz de luz emitido por un LED (visible o infrarrojo) a...