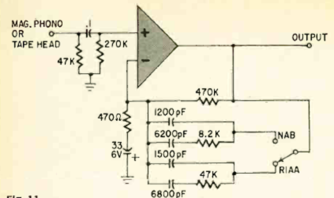
Este circuito apareció en la revista Radio Elecronics en 1968. El circuito integrado operacional es un tipo de uso general en la época y la alimentación debe ser simétrica.
Este circuito de audio fue publicado en un número de Rado Electronics de octubre de 1963. Los...
Este circuito, como el anterior, fue tomado de un Radio Handbook 1977. Los componentes son comunes y...
El circuito que se muestra está configurado para dar una indicación real cuando la persona toca los...