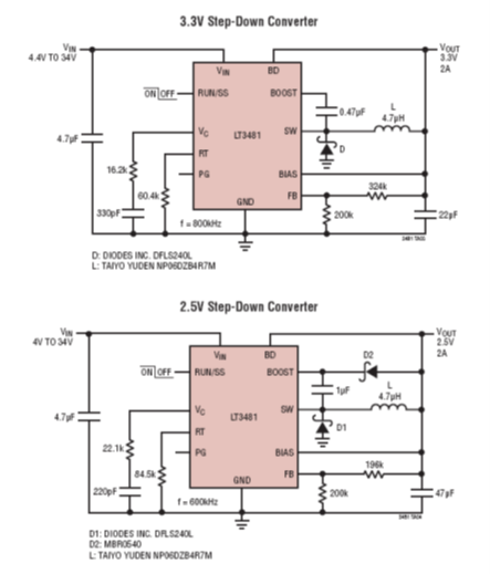
Un circuito integrado muy interesante para diseñar convertidores reductores (reductores de voltaje) con una capacidad de corriente de salida de hasta 2 A es el LT3481 de Linear Technology (www.linear.com). Este componente tiene un rango de voltaje de entrada de 3,6 V a 34 V con un máximo de 36 V y una frecuencia de conmutación de 2,8 MHz. En funcionamiento en modo ráfaga, la ondulación con 50 uA Iq, entrada de 12 V y salida de 3,3 V. Esta ondulación en estas condiciones es inferior a 15 mV. El diodo elevador está integrado y la tensión de referencia de retroalimentación es de 1,265 V. El dispositivo puede proporcionar tensiones de salida de 1,265 V a 20 V y tiene capacidades de arranque suave. El interruptor de encendido incluido en el chip tiene una resistencia de tan solo 0,18 ohms, lo que permite que el dispositivo alcance altas eficiencias, superiores al 80% con carga máxima. En la figura tenemos un circuito de aplicación para una entrada de 6,3 V a 34 V y una salida de 5 V. Para salidas de 3,3 V y 2,5 V con entradas en el rango de 4 a 34 V tenemos los dos circuitos que se muestran en la figura. 5. En todos los casos disponemos de funciones de apagado que reducen el consumo a menos de 1 uA. El dispositivo se suministra en MSOP de 10 pines y en carcasa DFN.





