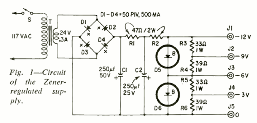
Esta fuente de alimentación de 4 voltajes mediante diodos zener tiene una corriente máxima recomendada de 25 mA. El circuito fue encontrado en la revista Radio Electronics de mayo de 1966.
Este proyecto es de nuestro colaborador Sérgio Lima Correia habiendo sido hecho en la época en que él...
Este circuito hace un LED bicolor o dos LEDs de colores diferentes parpadean alternativamente, a una velocidad...
El circuito presentado en la Figura 1 puede ser utilizado tanto como un transmisor telegráfico...