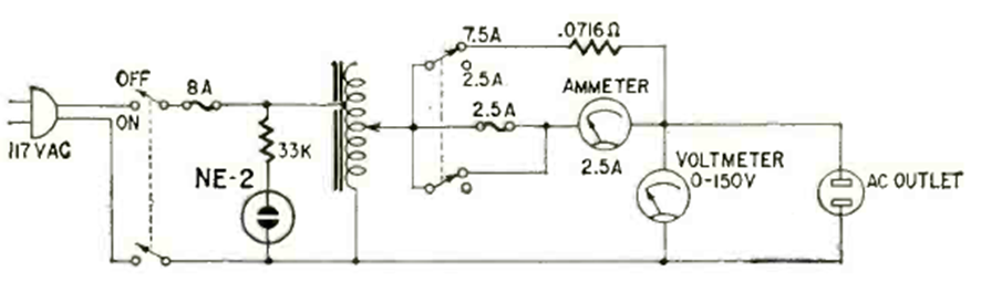
Esta es una fuente simple de tipo variac que se encuentra en la revista Radio Electronics de julio de 1962. La tensión y la corriente dependen del transformador.
Este proyecto es de nuestro colaborador Sérgio Lima Correia habiendo sido hecho en la época en que él...
Este circuito hace un LED bicolor o dos LEDs de colores diferentes parpadean alternativamente, a una velocidad...
El circuito presentado en la Figura 1 puede ser utilizado tanto como un transmisor telegráfico...