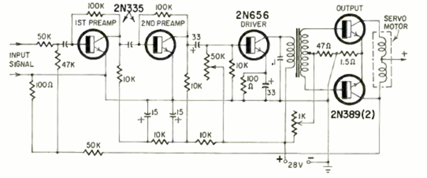
Este circuito es de una Radio Electronics de julio de 1965. El circuito utiliza componentes de la época controlando también un servo de la época. La fuente de alimentación es de 28 V.
Este proyecto es de nuestro colaborador Sérgio Lima Correia habiendo sido hecho en la época en que él...
Este circuito hace un LED bicolor o dos LEDs de colores diferentes parpadean alternativamente, a una velocidad...
El circuito presentado en la Figura 1 puede ser utilizado tanto como un transmisor telegráfico...