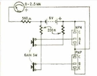
Este circuito es de un modelo de prueba de transistores comercial que se encuentra en la revista Radio Electronics de marzo de 1958. El circuito utiliza un indicador analógico.

Este circuito es de un modelo de prueba de transistores comercial que se encuentra en la revista Radio Electronics de marzo de 1958. El circuito utiliza un indicador analógico.
