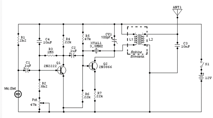
Este transmisor fue enviado por el lector colaborador Adriano Muniz Moura de Pirapora – MG. Se encuentra en 80 metros de la banda de onda corta (3,5 MHz) y tiene un oscilador fijo debido al uso del oscilador de cristal. La modulación proviene de un micrófono electreto con ajuste de modulación realizado en el pot1. CV1 realiza una calibración fina del transmisor además de ajustar la potencia. Las bobinas se fabrican de la siguiente manera: L1 está formada por 45 vueltas de cable de 0,3 mm sobre un núcleo de ferrita y 6 mm de diámetro, mientras que L2 está formada sobre L1 con 15 vueltas del mismo cable. Si resulta difícil ajustar el transmisor, reduzca el número de vueltas L2 a 10 vueltas. El transistor 2N3866 se puede sustituir por uno de mayor potencia como el 2SC2078 y debe tener un buen disipador de calor. La fuente de alimentación debe tener una tensión de 12V y una corriente de 5A aproximadamente. La placa utilizada debe ser de fibra de vidrio para una mayor calidad de la señal y un mejor ajuste de potencia. Las resistencias son de 1/8w y los condensadores son cerámicos tipo disco excepto el C1 que es de tipo electrolítico. La bobina debe estar completamente blindada y conectada a tierra al negativo de la fuente. El equipo se puede presentar en ferias científicas como demostración de medios e incluso entrenamiento en CW.




