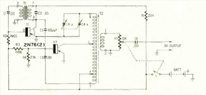
Este sencillo generador de señales con transistores fue publicado en la revista Radio Electronics en noviembre de 1957. El circuito genera señales determinadas por la bobina y la modulación por el transformador.
Este proyecto es de nuestro colaborador Sérgio Lima Correia habiendo sido hecho en la época en que él...
Este circuito hace un LED bicolor o dos LEDs de colores diferentes parpadean alternativamente, a una velocidad...
El circuito presentado en la Figura 1 puede ser utilizado tanto como un transmisor telegráfico...