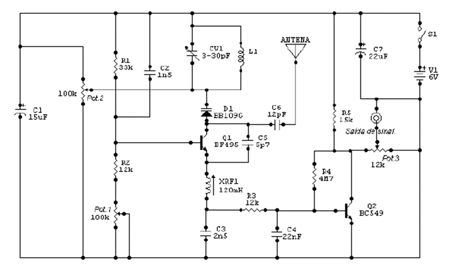
Este circuito fue enviado por el lector y colaborador Adriano Muniz Moura de Pirapora – MG. El proyecto presentado se utiliza para recepción en la banda FM (87,9MHz a 109,9MHz) y puede usarse en conjunto con un amplificador de audio y puede captar estaciones ubicadas a varios kilómetros de distancia. La base del circuito es un diodo varicap, estabilizando así la señal recibida por el receptor y la antena utilizada puede ser cualquier tipo telescópico común. Las resistencias utilizadas son de 1/8 w y los capacitores son de 12v. La fuente de alimentación utilizada puede ser cualquier cosa que tenga un buen filtrado o incluso pilas AA. El condensador variable CV1 es de tipo plástico común 3-50pF y la bobina L1 está formada por 5 vueltas de 18 cables de 1 cm de diámetro sin núcleo y se puede ajustar junto con un recortador (apretándolo). Los potenciómetros pot1 y pot2 se utilizan para ajustar la selectividad del circuito y para un mejor aprovechamiento del mismo se puede llevar su salida al amplificador. La placa utilizada debe ser de fibra de vidrio para una mejor calidad de la señal.




