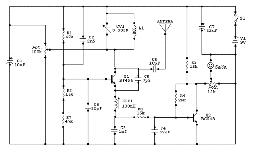
El receptor que se muestra arriba fue enviado por el lector colaborador Adriano Muniz Moura y se utiliza para la banda FM común de 88MHz a 108MHz. Se puede utilizar para experimentos en las escuelas. El circuito se basa en su oscilador, el cual está formado por la bobina L1, CV1 y el choque de radiofrecuencia XRF1. Las resistencias son de 1/8 W y los capacitores son para 25v y la bobina L1 está formada por 4 vueltas de 20 hilos de 8.5mm de diámetro sin núcleo y el trimmer es de 3-30pF fabricado en plástico de buena calidad. El transistor BF494 se puede sustituir por el BF495 y el pot 1 se utiliza para ajustar la sensibilidad del circuito, el cual debe montarse sobre una placa de fibra de vidrio y las conexiones deben ser lo más cortas posible. La antena utilizada es un trozo de cable rígido de aproximadamente 65 cm de largo y si el receptor capta mucho ruido durante el uso, el ccapacitor C6 de 10 pF se puede sustituir por otro capacitor de 15 pF también de cerámica tipo disco. La fuente de alimentación utilizada puede ser cualquiera que tenga buen filtrado y una corriente mínima de 500mA con un voltaje de 9 a 12V. La descarga de RF (XRF1) debe ser de tipo comercial de 100 mH a 120 mH o 60 vueltas de 32 cables en una resistorde 100 k. Este proyecto se puede utilizar como base para receptores más grandes o como base para receptores VHF (con pocos cambios).




